Click to enlarge
View CAD

ASA Nonrotatable Flange ASA-5-200N

Part Number: ASA-5-200N

Price: $123.00
Quantity:
  

Features
All products are available with both genders or a combination
Contact us at 800-824-4166 if you can't find exactly what you need
One each flat and grooved flange is needed to complete a connection
5" OD X 2" ID Nonrotatable ASA Flange
Technical Resources
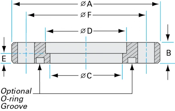
Specifications
Flange Size: DN 1.5 (5" OD)
Type: Non-rotatable
Gender: Flat
Material: 304 Stainless
Bore: 1.94"
Thickness: 0.500"
Bolt Circle: 3.88"
Bolt Hole Diameter: 0.625"
# Bolt Holes: 4
Vacuum Range: 1 · 10-8 mbar to 1 bar
Temperature Range: -20 °C to 150 °C
Weight: 2.23 lbs
ASA-Flanges-5-to-9-inches-Dia-3
Imperial Units
Dim A: 5.00"
Dim B: 0.500"
Dim C: 1.94"
Dim D: 2.01"
Dim E: 0.250"
Dim F: 3.88"
Dim G: 0.625"

Configure Your Cookies Settings


Functional (Non-Optional) Always Active
Performance
Advertising

Our website uses cookies for the functionality of the website. For more information on how we use our cookies, see our privacy policy.

Click to learn more, to opt out of some cookies, or to manage how we or third parties collect, use, and share your non-essential cookies and similar technologies.